
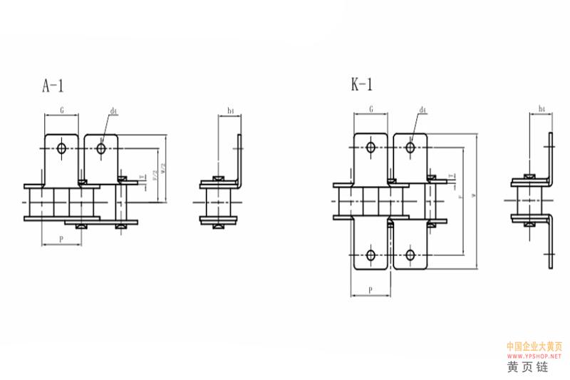
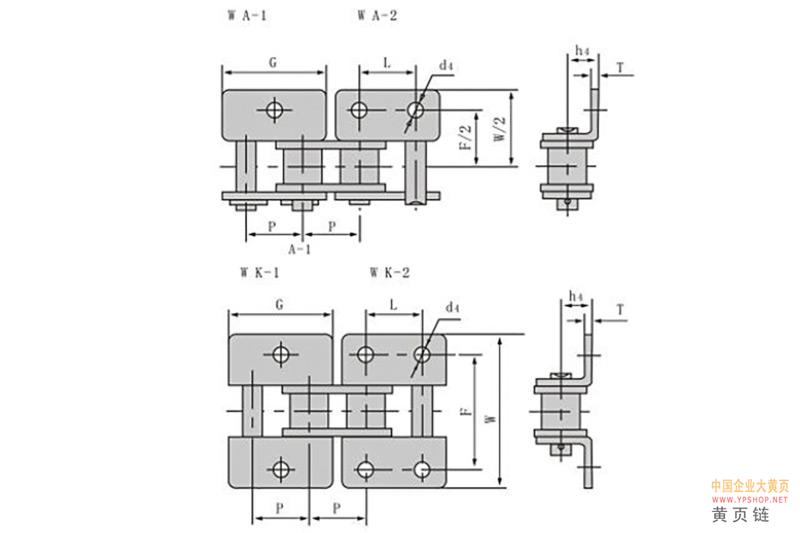
产品名称:短节距输送链附件
隶属行业:专用设备企业大黄页
隶属地区:浙江企业 - 杭州市
供求信息
钱江链条拥有“ YF”,“ QJ”和“ HQL”三个品牌,目前生产有十二大系列产品,68个品种,806种不同规格。其产品70%左右销往海外市场。产品生产符合ISO,ANSI,GB/T等标准和国家行业标准。企业建立了一套完整的质量管理体系,配备了先进的检验设施和测试设备。自2001年以来已成功通过ISO9001质量管理体系认证,SGS和BV认证。
产品分类
产品推荐
联系方式
隶属行业:
专用设备企业大黄页
隶属省市:
浙江企业 - 杭州市
法人代表:
汪水林
企业证书:
公司地址:
杭州市萧山区钱农西路80号
联系电话:
0571-82875108/82875104
传 真:
0571-82875194
联 系 人:
汪水林13306505882
邮政编码:
主营产品:
机械链轮,高强度农机链,门窗链条,不锈钢链条,摩托车链条,摩托车专用链条,输送用传动链条,板式链条,无声齿形链条,无级变速链条,油封链条,滚子链条
在线订购
产品分类
•
•
•
•
•
•
•
•
•
•
•







